Муфта зубчатая МЗТ-6
Описание
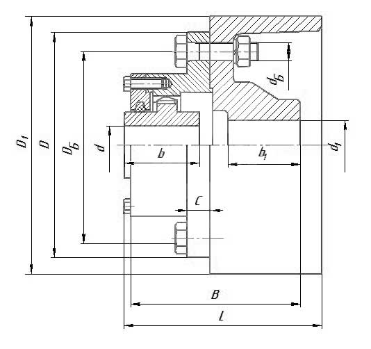
Соединительная зубчатая муфта МЗТ-6 с тормозным шкивом является подвижным соединением компенсирующим радиальные смещения соединительных валов различных устройств и машин, а так же кранового оборудования. Состоит из одной зубчатой втулки в обойме и жестко закрепленного тормозного шкива нужного диаметра с исполнением и размерами под необходимое присоединение. Изготавливаются как по стандартным размерам, так и под заказ клиента. Присоединительные размеры и исполнение может быть выполнено абсолютно различным. Классические изделия изготавливаются по ГОСТ 5006-55, ГОСТ 5006-83, ГОСТ 5006-94, ГОСТ Р 50895-96.
Размеры

|
Тип полумуфты |
m |
z |
b |
b1 |
D |
D1 |
DБ |
d |
d1 |
L |
C |
dБ |
n |
N, |
Mк, |
Масса |
|
об/мин |
кгс·м |
кг |
||||||||||||||
|
МЗ-6 с тормозным шкивом |
4 |
48 |
30 |
45 |
320 |
400 |
275 |
58 |
110 |
256 |
5 |
20 |
8 |
2500 |
1180 |
160 |
Характеристики
- Длина полумуфты, мм До 170
- Крутящий момент, Нм 10000
- Наружный диаметр, мм 320
- Общая длина, мм До 340
- Посадочный диаметр, мм до 100
- Тип детали Муфта МЗТ


