Электродвигатель подъема МА 100 L-6B
Артикул: 6871120122
              Описание
Тормозные электроприводы серии МА болгарской компании MMotors намного надежнее аналогов серии КГ. Они исключают инерционное движение тельферов и талей при остановке. Для цикличного режима работы маломощного оборудования грузоподъемностью до 1 т лучше купить электродвигатель МА 100 L-6B. Это улучшенный аналог КГ1608-6 с системой защиты от перегрева обмотки и корпусом, изготовленным в соответствии с современными требованиями промышленной безопасности. Заказать двигатель МА 100 L-6B рекомендуется для работы в сложных условиях.

            Конструктивные особенности
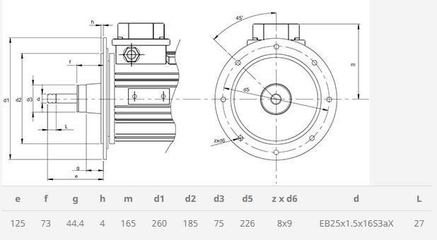
При незначительных изменениях конусного привода разработчики сохранили типовые габаритные и присоединительные размеры. Купить электродвигатель серии МА 100 L-6B можно в стандартной комплектации с фланцем F226, имеющим на установочной поверхности выемку для уплотняющей прокладки. Заказать двигатель серии МА 100 L-6B с высоким пусковым крутящим моментом предлагаем для режима эксплуатации S1 с частыми остановками. При пуске ротор быстро набирает максимальную угловую скорость.Размер фланца

Характеристики
- Количество скоростей Односкоростной
- Модель МА
- Мощность, кВт 1,5
- Пусковой момент Nm 30
- Режим работы ОПР % 40
- Режим работы ЧВ h-1 240
- Сила тока A 3.8
- Тип детали Электродвигатель подъема
- Тормоз Электромагнитный
- Тормозной момент Nm 35
- Частота вращения min-1 920
- Напряжение, В 400



