Электродвигатель подъема МА 90 S-6B
Артикул: 6870120122
Описание
Трехфазные асинхронные электромоторы для болгарских талей и тельферов производства фирмы MMotors работают с низким шумом и незначительной вибрацией. Они отличаются простотой конструкции и монтажа. Купить электродвигатель МА 90 S-6B можно для оборудования грузоподъемностью до 5 тонн. Односкоростной 6-ти полюсной привод изготовлен с учетом тяжелых условий эксплуатации и непрерывной работы в типовом режиме S1 с частыми пусками и остановками. Заказать двигатель серии МА 90 S-6B предлагаем для установки на ходовую тележку. Соединительным элементом является фланец F226.

Конструктивные особенности
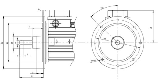
Привод является усовершенствованной модификацией КГ1605-6. Тормозное устройство позволяет избежать инерционного движения тали. Купить электродвигатель серии МА 90 S-6B с тормозом рекомендуется, если требуется четко позиционировать положение груза или прибегнуть к остановке оборудования в циклическом режиме. Контроль от перегрева обеспечивает стабильную и безотказную работу оборудования, это еще один повод заказать двигатель МА 90 S-6B.Чертеж фланца

Характеристики
- Количество скоростей Односкоростной
- Модель МА
- Мощность, кВт 0,75
- Пусковой момент Nm 15
- Режим работы ОПР % 40
- Режим работы ЧВ h-1 240
- Сила тока A 2,1
- Тип детали Электродвигатель подъема
- Тормоз Электромагнитный
- Тормозной момент Nm 20
- Частота вращения min-1 930
- Напряжение, В 400


